| штат: | |
|---|---|
| Количество: | |
J-VALVES-BV-300
J-VALVES
8481804090
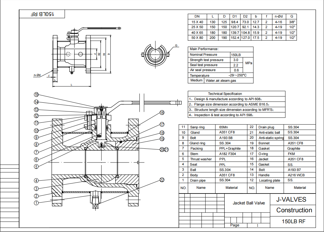
Материал из нержавеющей стали: корпус клапана изготовлен из высококачественной нержавеющей стали (например, CF8, CF8M, 304, 316 и т. Д.), Имея высокую прочность и хорошую коррозионную стойкость.
Проектирование изоляции с оболочкой: уникальная конструкция конструкции куртки позволяет внедрить пар, масла с теплообменной или другой изоляционной средой, эффективно поддерживая температуру среды в трубопроводе и предотвращая среднее затвердевание или потерю тепла.
Фланцевое соединение: принимает фланцевое соединение, соответствующее стандартам ASME B16.5 или DIN, обеспечивая надежную и плотную установку.
Плавающая конструкция мяча: мяч может свободно плавать под давлением среды, плотно прилегая к сиденью клапана, образуя превосходный эффект герметизации.
Полная конструкция порта: полный порт конструкции оптимизирует путь потока жидкости, снижает потерю давления и повышает эффективность управления потоком.
Конструкция пожарной безопасности: соответствует стандартам API 607, обеспечивая обеспечение клапана, обеспечивающего производительность запечатывания даже в случае пожара, чтобы предотвратить среднюю утечку.
Антистатическое устройство: оснащено встроенным антистатическим устройством для эффективного предотвращения статического накопления, снижая риск пожара и взрыва.
Профилактика STEM Blowout Design: STEM включает в себя разработку профилактики выдувки для обеспечения безопасности.
Компактный дизайн: малый по размеру и легким, способствуя установке и интеграции в существующие системы.
Диапазон размеров: от DN15 до DN300 (от 1/2 ″ до 12 ″)
Оценка давления: PN10 до PN100 (класс 150 до класса 600)
Диапазон температуры: от -40 до +450 ℃
Материал:
Корпус клапана: нержавеющая сталь (CF8, CF8M, 304, 316 и т. Д.)
Куртка: нержавеющая сталь
Шар: нержавеющая сталь (304, 316 и т. Д.)
Стебель: нержавеющая сталь (304, 316 и т. Д.)
Запечатанный материал: PTFE, RPTFE, Гибкий графит
Тип соединения: фланцевое соединение (RF, RTJ)
Режим работы: Руководство (Операция маховика), пневматический, электрический
Стандарты дизайна: API 608, API 6D, ASME B16.34
Стандарты тестирования: API 598
Сквозные размеры: совместимые со стандартами ASME B16.10
Нефтяная и газовая промышленность: используется в системах разведки, сбора, сбора, транспорта и переработки нефти и газа для обеспечения надежной изоляции и контроля средств массовой информации.
Химическая промышленность: подходит для транспортных и реакционных систем различных химических сред, предотвращая утечку среды и обеспечение безопасности производства.
Фармацевтическая промышленность: применяется в трубопроводных системах во время фармацевтического производства, чтобы обеспечить среднюю изоляцию и чистоту в процессах производства лекарств.
Продовольственные и напитки: соответствует требованиям к пищевым продуктам, используемым в трубопроводных системах для производства продуктов питания и напитков для обеспечения гигиены и безопасности.
HVAC: используется в системах охлаждающей воды, систем горячей воды и т. Д., Для обеспечения эффективной работы системы.
Общие промышленные применения: подходит для контроля и изоляции среды, таких как вода, нефть и газ.
Высокая достоверность: материал из нержавеющей стали и конструкция плавающего шарика обеспечивают стабильную работу клапана в средах высокого давления и высокотемпературной среды, снижая частоту обслуживания и время простоя.
Высокая безопасность: устойчивые к пожарным и антистатическим конструкциям, наряду с надежными характеристиками герметизации, эффективно снижают риски утечки и защищают безопасность персонала и оборудования.
Легкая установка и обслуживание: фланцевое соединение упрощает процесс установки и облегчает техническое обслуживание и ремонт.
Широкий диапазон приложений: несколько вариантов материала и широкий спектр возможностей давления и температуры позволяют адаптироваться к различным сложным условиям труда и средним характеристикам.
Материал из нержавеющей стали: корпус клапана изготовлен из высококачественной нержавеющей стали (например, CF8, CF8M, 304, 316 и т. Д.), Имея высокую прочность и хорошую коррозионную стойкость.
Проектирование изоляции с оболочкой: уникальная конструкция конструкции куртки позволяет внедрить пар, масла с теплообменной или другой изоляционной средой, эффективно поддерживая температуру среды в трубопроводе и предотвращая среднее затвердевание или потерю тепла.
Фланцевое соединение: принимает фланцевое соединение, соответствующее стандартам ASME B16.5 или DIN, обеспечивая надежную и плотную установку.
Плавающая конструкция мяча: мяч может свободно плавать под давлением среды, плотно прилегая к сиденью клапана, образуя превосходный эффект герметизации.
Полная конструкция порта: полный порт конструкции оптимизирует путь потока жидкости, снижает потерю давления и повышает эффективность управления потоком.
Конструкция пожарной безопасности: соответствует стандартам API 607, обеспечивая обеспечение клапана, обеспечивающего производительность запечатывания даже в случае пожара, чтобы предотвратить среднюю утечку.
Антистатическое устройство: оснащено встроенным антистатическим устройством для эффективного предотвращения статического накопления, снижая риск пожара и взрыва.
Профилактика STEM Blowout Design: STEM включает в себя разработку профилактики выдувки для обеспечения безопасности.
Компактный дизайн: малый по размеру и легким, способствуя установке и интеграции в существующие системы.
Диапазон размеров: от DN15 до DN300 (от 1/2 ″ до 12 ″)
Оценка давления: PN10 до PN100 (класс 150 до класса 600)
Диапазон температуры: от -40 до +450 ℃
Материал:
Корпус клапана: нержавеющая сталь (CF8, CF8M, 304, 316 и т. Д.)
Куртка: нержавеющая сталь
Шар: нержавеющая сталь (304, 316 и т. Д.)
Стебель: нержавеющая сталь (304, 316 и т. Д.)
Запечатанный материал: PTFE, RPTFE, Гибкий графит
Тип соединения: фланцевое соединение (RF, RTJ)
Режим работы: Руководство (Операция маховика), пневматический, электрический
Стандарты дизайна: API 608, API 6D, ASME B16.34
Стандарты тестирования: API 598
Сквозные размеры: совместимые со стандартами ASME B16.10
Нефтяная и газовая промышленность: используется в системах разведки, сбора, сбора, транспорта и переработки нефти и газа для обеспечения надежной изоляции и контроля средств массовой информации.
Химическая промышленность: подходит для транспортных и реакционных систем различных химических сред, предотвращая утечку среды и обеспечение безопасности производства.
Фармацевтическая промышленность: применяется в трубопроводных системах во время фармацевтического производства, чтобы обеспечить среднюю изоляцию и чистоту в процессах производства лекарств.
Продовольственные и напитки: соответствует требованиям к пищевым продуктам, используемым в трубопроводных системах для производства продуктов питания и напитков для обеспечения гигиены и безопасности.
HVAC: используется в системах охлаждающей воды, систем горячей воды и т. Д., Для обеспечения эффективной работы системы.
Общие промышленные применения: подходит для контроля и изоляции среды, таких как вода, нефть и газ.
Высокая достоверность: материал из нержавеющей стали и конструкция плавающего шарика обеспечивают стабильную работу клапана в средах высокого давления и высокотемпературной среды, снижая частоту обслуживания и время простоя.
Высокая безопасность: устойчивые к пожарным и антистатическим конструкциям, наряду с надежными характеристиками герметизации, эффективно снижают риски утечки и защищают безопасность персонала и оборудования.
Легкая установка и обслуживание: фланцевое соединение упрощает процесс установки и облегчает техническое обслуживание и ремонт.
Широкий диапазон приложений: несколько вариантов материала и широкий спектр возможностей давления и температуры позволяют адаптироваться к различным сложным условиям труда и средним характеристикам.
I.ВведениеВ сфере транспортировки газа спрос на высококачественную и надежную арматуру имеет первостепенное значение. Среди них решающую роль играют цапфовые шаровые краны большого размера. J - VALVES, ведущая компания в отрасли производства клапанов, предлагает индивидуальные решения, которые совершают революцию в газопереработке.
Плавающие шаровые краны — это универсальные и надежные компоненты, используемые для регулирования потока жидкостей в различных промышленных применениях. Их прочная конструкция, простота в эксплуатации и способность обеспечивать герметичное уплотнение делают их идеальными для широкого спектра отраслей промышленности. В этой статье рассматриваются разнообразные приложения
Откройте для себя задвижку J-VALVES 24 дюйма 600LB WC6 с электроприводом, поставленную для проекта по охране окружающей среды в Италии. Работа при высоком давлении, прочная конструкция из легированной стали и надежное автоматическое управление для промышленных трубопроводов.
Понимание требований вашего применения. Прежде чем выбрать задвижку, важно понять конкретные требования вашего промышленного применения. Сюда входит: Тип жидкости: Определите тип жидкости, которая будет течь через клапан. К обычным жидкостям относятся вода, масло, пар, газы,
Задвижки широко используются в промышленности для регулирования потока различных жидкостей и газов. Задвижка с пневматическим приводом DN800 PN25 WCB разработана для обеспечения надежной и эффективной работы в средах с высоким давлением, особенно при номинальном давлении PN25. Эта часть
В области промышленных трубопроводных систем, особенно в нефтяной, газовой и крупномасштабной водоочистной промышленности, шаровые краны с цапфой большого размера, соответствующие стандартам API 6D, стали основным оборудованием для контроля и изоляции жидкости. API 6D, разработанный Американским институтом нефти (API), является всемирно признанным авторитетным стандартом для трубопроводной арматуры, определяющим строгие требования к проектированию, производству, сборке, испытаниям и документации арматуры. В проектах трубопроводов большого диаметра стабильность, способность выдерживать давление и герметичность клапанов напрямую влияют на безопасность и эффективность всей системы.
Понимание определения и воздействия гидроудара. Водяной удар возникает, когда поток жидкости в трубопроводе внезапно останавливается или перенаправляется, что приводит к распространению волны давления по жидкости. Это может привести к значительным скачкам давления, что приведет к разрыву трубы, выходу из строя клапана и другим повреждениям. Причины
Задвижки с пневматическими приводами представляют собой тип задвижек, в которых для операций открытия и закрытия используются пневматические приводные устройства, и они широко применяются в промышленных системах, требующих дистанционного или автоматического управления. Пневматические приводы обеспечивают эффективное и точное управление воротами.
Сварные дисковые затворы с тройным эксцентриковым уплотнением и металлическим уплотнением представляют собой современные промышленные клапаны, широко применяемые в трубопроводных системах, требующих высокой герметизации, высокой температуры и устойчивости к коррозии. Конструкция таких клапанов сочетает в себе технологию металлического уплотнения с тройной эксцентриковой конструкцией, обеспечивающей
При выборе надежных плавающих шаровых кранов для высококоррозионных и требовательных промышленных применений, таких как морское машиностроение, морская нефтегазовая промышленность, химическая обработка или очистка морской воды, инженеры и покупатели отдают приоритет трем основным факторам: долговечность материала, соответствие международным стандартам и долгосрочная эксплуатационная стабильность. J-VALVES Плавающий шаровой кран API608 C95800 спроектирован так, чтобы соответствовать этим требованиям и даже превосходить их. Используя исключительные характеристики никель-алюминиевого бронзового сплава C95800 и строго соблюдая стандарт API 608, он обеспечивает непревзойденную производительность в суровых условиях. Являясь надежным выбором в мировом промышленном секторе, этот клапан устраняет наиболее распространенные проблемы в управлении промышленными жидкостями, что делает его лучшим решением для применений, требующих коррозионной стойкости, устойчивости к высокому давлению и высокой надежности.
В промышленных трубопроводных системах с постоянным увеличением диаметров труб и номинального давления выбор конструктивной формы шаровых кранов становится особенно важным. В то время как плавающие шаровые краны широко используются в рабочих условиях малого диаметра, шаровые краны с цапфой часто являются более надежным и зрелым решением для систем большого диаметра и высокого давления.
В современных промышленных трубопроводных системах шаровые краны большого диаметра не только выполняют функции «закрыто-закрыто», но и напрямую связаны с эксплуатационной безопасностью, надежностью герметизации и долговременной стабильностью системы. Конструкция безопасности клапанов особенно важна в случаях, связанных с высокой температурой, пожароопасностью или сложными условиями работы.
Y-образные фильтры — это широко используемые устройства в системах жидкостных трубопроводов, предназначенные в первую очередь для удаления примесей и твердых частиц из трубопроводов и обеспечения нормальной работы жидкостных систем. Эти фильтры, названные в честь своей Y-образной конфигурации, используют механическую фильтрацию для эффективного улавливания твердых частиц.
При покупке шаровых кранов с двойной блокировкой и выпуском воздуха (DBB) для критически важных промышленных применений партнерство с ведущим в отрасли производителем, таким как J-VALVES, с более чем десятилетним опытом работы с 2009 года, гарантирует надежность, безопасность и производительность продукции. В этом руководстве по закупкам подробно описаны ключевые моменты при выборе шаровых кранов J-VALVES DBB, что дает возможность командам по закупкам принимать обоснованные решения, соответствующие эксплуатационным требованиям и стандартам соответствия.
Фильтр 150LB C95800 является важнейшим компонентом систем контроля жидкости и газа, предназначенным для защиты последующего оборудования путем фильтрации мусора, твердых частиц и других примесей из потока. Изготовленный из высококачественной бронзы C95800, он идеально подходит для использования там, где долговечность
В промышленности фильтры играют решающую роль в обеспечении бесперебойной и эффективной работы систем, предотвращая повреждение внутренних механизмов загрязняющими веществами. Фильтры 300LB WCB, изготовленные из прочной литой стали, обеспечивают превосходную производительность в системах высокого давления. Что такое
Цельносварные шаровые краны, обладающие высокой производительностью и надежностью, широко используются в нефтяной, газовой, химической, металлургической, электроэнергетической и других отраслях промышленности. Крайне важно убедиться в надежности их работы перед установкой и вводом в эксплуатацию.
Вечером 31 января, залитый яркими и теплыми огнями, с размахом стартовал ежегодный гала-концерт J-VALVES 2025 года на тему «В дороге, навстречу миру!» Все члены семьи J-VALVES собрались вместе, избавившись от тяжелого труда и усталости целого года и неся наши достижения и почести. Мы оглядывались назад на наше путешествие бок о бок, среди смеха и радости, и шли к совершенно новому будущему с общими усилиями, разделяя этот эксклюзивный праздник воссоединения и залог прогресса, который принадлежит всем нам.<br />
Понимание стандартов и спецификаций стандартов дизайна Gate Valve. Некоторые из наиболее часто упоминаемых стандартов включают: • ANSI/ASME B16.
Скорость потока и падение давленияОпределение скорости потока: Скорость потока — это объем жидкости, проходящей через клапан в единицу времени. Важность. Для поддержания эффективности системы необходимо обеспечить, чтобы обратный клапан мог выдерживать требуемый расход без чрезмерного падения давления. Соображения: Se