| штат: | |
|---|---|
| Количество: | |
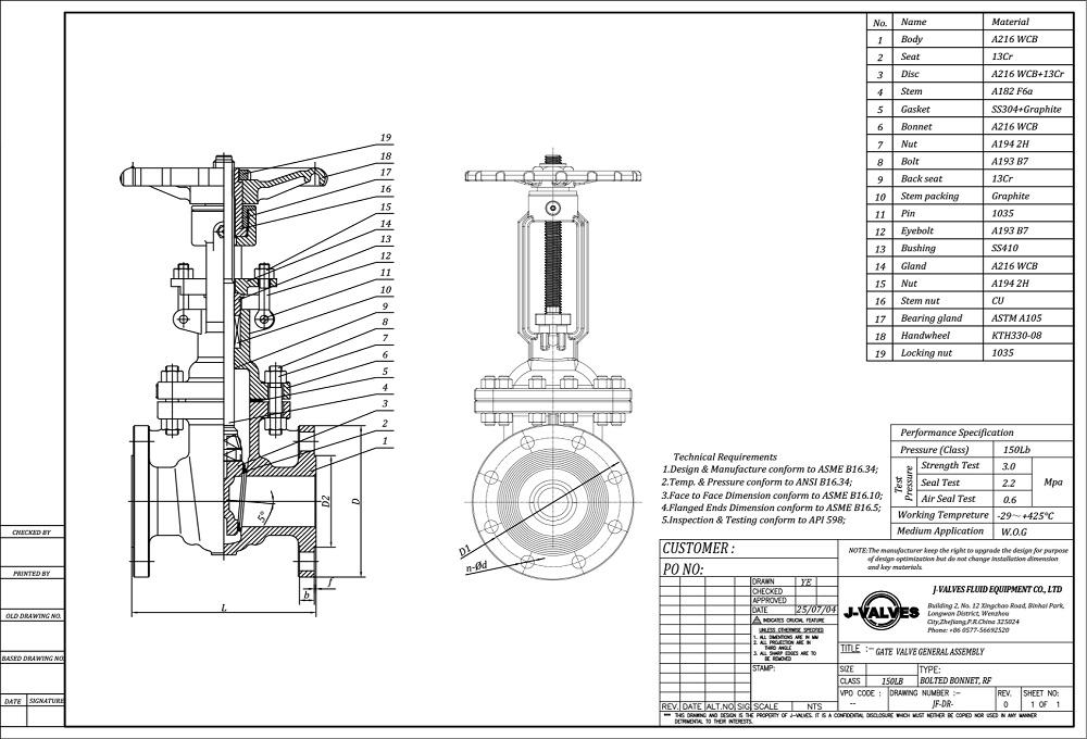
ASME B16.34 Compliant J-VALVES фланцевые стальные клапаны
Особенности продукта
Строгое соответствие стандартам: он полностью соответствует стандарту ASME B16.34, охватывающий такие аспекты, как оценки давления и температуры, размеры, допуски, материалы, неразрушающие требования к тестированию, тестирование и маркировка, обеспечение безопасности и надежности клапана в различных рабочих условиях.
Выбор высококачественных материалов: корпус клапана изготовлен из высококачественной литой стали, который обладает высокой прочностью, хорошей вязкостью и коррозионной стойкостью, и может выдерживать высокое давление и суровые рабочие среды. Ключевые компоненты, такие как сиденье клапана и диск, прошли специальные обработки, чтобы повысить их износостойкость и уплотнения.
Надежный дизайн герметизации: он принимает передовые технологии герметизации, такие как гибкая конструкция ворот в форме клина, которая может достичь двунаправленного герметизации с превосходной производительностью герметизации, эффективно предотвращая утечку средств массовой информации и удовлетворение требований для низких беглых выбросов.
Диверсифицированные режимы работы: он предоставляет несколько режимов работы, включая ручные, электрические и пневматические, для удовлетворения потребностей разных пользователей. Разумно спроектирован механизм ручной работы для ручной работы, что делает его легким и гибким для работы. Электрические и пневматические приводы могут достичь дистанционного управления и автоматической работы.
Прочная и долговечная структура: общая структура компактная, с высокой точностью обработки деталей и близким. Ствол клапана принимает точные нити, а его поверхность подвергается особому обработке, обладая хорошей коррозионной стойкостью и устойчивостью к износу, что продлевает срок службы.
Хорошая совместимость. Размеры фланца соответствуют стандарту ASME B16.5, обеспечивая беспрепятственное соединение со стандартными трубопроводными системами, способствуя быстрой и простой установке и сокращению времени и стоимости установки.
Технические параметры
Номинальный диаметр: 1/2 '~ 48 ' (DN15 ~ DN1200)
Оценка давления: 150 фунтов ~ 2500 фунтов (PN20 ~ PN420)
Применимый диапазон температуры: -29 ° C ~ 425 ° C. Конкретный диапазон температур зависит от выбранных материалов и условий труда.
Применимые носители: применимо к различным жидким средам, включая воду, паров, нефтяные продукты, природные газы и коррозийные носители.
Области применения
Промышленность нефти и природного газа: используется в таких местах, как нефтяные и газовые месторождения, трансмиссионные трубопроводы и нефтеперерабатывающие заведения для контроля потока нефти и газа, а также обеспечить безопасность и стабильность транспортировки нефти и газа.
Химическая промышленность. В процессе химического производства она используется для контроля транспортировки различных химических сред, предотвращения утечки средств массовой информации и обеспечения безопасности и высокой эффективности производственного процесса.
Электроэнергетическая отрасль: применяется к водным и паровым системам на электростанциях для управления потоком воды и пара и удовлетворения рабочих требований оборудования для производства электроэнергии.
Другие промышленные поля: такие как сталь, изготовление бумаги и фармацевтическая промышленность, он используется в различных системах процесса для достижения управления и регулирования.
Конкурентное преимущество:
На образцах Покупатель несет взнос на воздушную плату, но эта плата будет снижена с непосредственного заказа
После бесплатной замены продаж, если есть проблемы с качеством
При доставке никогда не откладывайте время доставки
На материалах гарантируйте материал чистый
Обеспечить материал чистым
ASME B16.34 Compliant J-VALVES фланцевые стальные клапаны
Особенности продукта
Строгое соответствие стандартам: он полностью соответствует стандарту ASME B16.34, охватывающий такие аспекты, как оценки давления и температуры, размеры, допуски, материалы, неразрушающие требования к тестированию, тестирование и маркировка, обеспечение безопасности и надежности клапана в различных рабочих условиях.
Выбор высококачественных материалов: корпус клапана изготовлен из высококачественной литой стали, который обладает высокой прочностью, хорошей вязкостью и коррозионной стойкостью, и может выдерживать высокое давление и суровые рабочие среды. Ключевые компоненты, такие как сиденье клапана и диск, прошли специальные обработки, чтобы повысить их износостойкость и уплотнения.
Надежный дизайн герметизации: он принимает передовые технологии герметизации, такие как гибкая конструкция ворот в форме клина, которая может достичь двунаправленного герметизации с превосходной производительностью герметизации, эффективно предотвращая утечку средств массовой информации и удовлетворение требований для низких беглых выбросов.
Диверсифицированные режимы работы: он предоставляет несколько режимов работы, включая ручные, электрические и пневматические, для удовлетворения потребностей разных пользователей. Разумно спроектирован механизм ручной работы для ручной работы, что делает его легким и гибким для работы. Электрические и пневматические приводы могут достичь дистанционного управления и автоматической работы.
Прочная и долговечная структура: общая структура компактная, с высокой точностью обработки деталей и близким. Ствол клапана принимает точные нити, а его поверхность подвергается особому обработке, обладая хорошей коррозионной стойкостью и устойчивостью к износу, что продлевает срок службы.
Хорошая совместимость. Размеры фланца соответствуют стандарту ASME B16.5, обеспечивая беспрепятственное соединение со стандартными трубопроводными системами, способствуя быстрой и простой установке и сокращению времени и стоимости установки.
Технические параметры
Номинальный диаметр: 1/2 '~ 48 ' (DN15 ~ DN1200)
Оценка давления: 150 фунтов ~ 2500 фунтов (PN20 ~ PN420)
Применимый диапазон температуры: -29 ° C ~ 425 ° C. Конкретный диапазон температур зависит от выбранных материалов и условий труда.
Применимые носители: применимо к различным жидким средам, включая воду, паров, нефтяные продукты, природные газы и коррозийные носители.
Области применения
Промышленность нефти и природного газа: используется в таких местах, как нефтяные и газовые месторождения, трансмиссионные трубопроводы и нефтеперерабатывающие заведения для контроля потока нефти и газа, а также обеспечить безопасность и стабильность транспортировки нефти и газа.
Химическая промышленность. В процессе химического производства она используется для контроля транспортировки различных химических сред, предотвращения утечки средств массовой информации и обеспечения безопасности и высокой эффективности производственного процесса.
Электроэнергетическая отрасль: применяется к водным и паровым системам на электростанциях для управления потоком воды и пара и удовлетворения рабочих требований оборудования для производства электроэнергии.
Другие промышленные поля: такие как сталь, изготовление бумаги и фармацевтическая промышленность, он используется в различных системах процесса для достижения управления и регулирования.
Конкурентное преимущество:
На образцах Покупатель несет взнос на воздушную плату, но эта плата будет снижена с непосредственного заказа
После бесплатной замены продаж, если есть проблемы с качеством
При доставке никогда не откладывайте время доставки
На материалах гарантируйте материал чистый
Обеспечить материал чистым
API 609 Butterfly CalveSeign и производительность • Стандартный обзор: API 609 является широко признанным стандартом для клапанов бабочек, особенно в нефтегазовой отрасли. Он определяет требования к проектированию, производству и тестированию для обеспечения надежности и безопасности. • Спецификации материала: API
I.ВведениеВ сфере транспортировки газа спрос на высококачественную и надежную арматуру имеет первостепенное значение. Среди них решающую роль играют цапфовые шаровые краны большого размера. J - VALVES, ведущая компания в отрасли производства клапанов, предлагает индивидуальные решения, которые совершают революцию в газопереработке.
Плавающие шаровые краны — это универсальные и надежные компоненты, используемые для регулирования потока жидкостей в различных промышленных применениях. Их прочная конструкция, простота в эксплуатации и способность обеспечивать герметичное уплотнение делают их идеальными для широкого спектра отраслей промышленности. В этой статье рассматриваются разнообразные приложения
Откройте для себя задвижку J-VALVES 24 дюйма 600LB WC6 с электроприводом, поставленную для проекта по охране окружающей среды в Италии. Работа при высоком давлении, прочная конструкция из легированной стали и надежное автоматическое управление для промышленных трубопроводов.
Понимание требований вашего применения. Прежде чем выбрать задвижку, важно понять конкретные требования вашего промышленного применения. Сюда входит: Тип жидкости: Определите тип жидкости, которая будет течь через клапан. К обычным жидкостям относятся вода, масло, пар, газы,
Задвижки широко используются в промышленности для регулирования потока различных жидкостей и газов. Задвижка с пневматическим приводом DN800 PN25 WCB разработана для обеспечения надежной и эффективной работы в средах с высоким давлением, особенно при номинальном давлении PN25. Эта часть
В области промышленных трубопроводных систем, особенно в нефтяной, газовой и крупномасштабной водоочистной промышленности, шаровые краны с цапфой большого размера, соответствующие стандартам API 6D, стали основным оборудованием для контроля и изоляции жидкости. API 6D, разработанный Американским институтом нефти (API), является всемирно признанным авторитетным стандартом для трубопроводной арматуры, определяющим строгие требования к проектированию, производству, сборке, испытаниям и документации арматуры. В проектах трубопроводов большого диаметра стабильность, способность выдерживать давление и герметичность клапанов напрямую влияют на безопасность и эффективность всей системы.
Понимание определения и воздействия гидроудара. Водяной удар возникает, когда поток жидкости в трубопроводе внезапно останавливается или перенаправляется, что приводит к распространению волны давления по жидкости. Это может привести к значительным скачкам давления, что приведет к разрыву трубы, выходу из строя клапана и другим повреждениям. Причины
Задвижки с пневматическими приводами представляют собой тип задвижек, в которых для операций открытия и закрытия используются пневматические приводные устройства, и они широко применяются в промышленных системах, требующих дистанционного или автоматического управления. Пневматические приводы обеспечивают эффективное и точное управление воротами.
Сварные дисковые затворы с тройным эксцентриковым уплотнением и металлическим уплотнением представляют собой современные промышленные клапаны, широко применяемые в трубопроводных системах, требующих высокой герметизации, высокой температуры и устойчивости к коррозии. Конструкция таких клапанов сочетает в себе технологию металлического уплотнения с тройной эксцентриковой конструкцией, обеспечивающей
При выборе надежных плавающих шаровых кранов для высококоррозионных и требовательных промышленных применений, таких как морское машиностроение, морская нефтегазовая промышленность, химическая обработка или очистка морской воды, инженеры и покупатели отдают приоритет трем основным факторам: долговечность материала, соответствие международным стандартам и долгосрочная эксплуатационная стабильность. J-VALVES Плавающий шаровой кран API608 C95800 спроектирован так, чтобы соответствовать этим требованиям и даже превосходить их. Используя исключительные характеристики никель-алюминиевого бронзового сплава C95800 и строго соблюдая стандарт API 608, он обеспечивает непревзойденную производительность в суровых условиях. Являясь надежным выбором в мировом промышленном секторе, этот клапан устраняет наиболее распространенные проблемы в управлении промышленными жидкостями, что делает его лучшим решением для применений, требующих коррозионной стойкости, устойчивости к высокому давлению и высокой надежности.
В промышленных трубопроводных системах с постоянным увеличением диаметров труб и номинального давления выбор конструктивной формы шаровых кранов становится особенно важным. В то время как плавающие шаровые краны широко используются в рабочих условиях малого диаметра, шаровые краны с цапфой часто являются более надежным и зрелым решением для систем большого диаметра и высокого давления.
В современных промышленных трубопроводных системах шаровые краны большого диаметра не только выполняют функции «закрыто-закрыто», но и напрямую связаны с эксплуатационной безопасностью, надежностью герметизации и долговременной стабильностью системы. Конструкция безопасности клапанов особенно важна в случаях, связанных с высокой температурой, пожароопасностью или сложными условиями работы.
Y-образные фильтры — это широко используемые устройства в системах жидкостных трубопроводов, предназначенные в первую очередь для удаления примесей и твердых частиц из трубопроводов и обеспечения нормальной работы жидкостных систем. Эти фильтры, названные в честь своей Y-образной конфигурации, используют механическую фильтрацию для эффективного улавливания твердых частиц.
При покупке шаровых кранов с двойной блокировкой и выпуском воздуха (DBB) для критически важных промышленных применений партнерство с ведущим в отрасли производителем, таким как J-VALVES, с более чем десятилетним опытом работы с 2009 года, гарантирует надежность, безопасность и производительность продукции. В этом руководстве по закупкам подробно описаны ключевые моменты при выборе шаровых кранов J-VALVES DBB, что дает возможность командам по закупкам принимать обоснованные решения, соответствующие эксплуатационным требованиям и стандартам соответствия.
Фильтр 150LB C95800 является важнейшим компонентом систем контроля жидкости и газа, предназначенным для защиты последующего оборудования путем фильтрации мусора, твердых частиц и других примесей из потока. Изготовленный из высококачественной бронзы C95800, он идеально подходит для использования там, где долговечность
В промышленности фильтры играют решающую роль в обеспечении бесперебойной и эффективной работы систем, предотвращая повреждение внутренних механизмов загрязняющими веществами. Фильтры 300LB WCB, изготовленные из прочной литой стали, обеспечивают превосходную производительность в системах высокого давления. Что такое
Цельносварные шаровые краны, обладающие высокой производительностью и надежностью, широко используются в нефтяной, газовой, химической, металлургической, электроэнергетической и других отраслях промышленности. Крайне важно убедиться в надежности их работы перед установкой и вводом в эксплуатацию.
Вечером 31 января, залитый яркими и теплыми огнями, с размахом стартовал ежегодный гала-концерт J-VALVES 2025 года на тему «В дороге, навстречу миру!» Все члены семьи J-VALVES собрались вместе, избавившись от тяжелого труда и усталости целого года и неся наши достижения и почести. Мы оглядывались назад на наше путешествие бок о бок, среди смеха и радости, и шли к совершенно новому будущему с общими усилиями, разделяя этот эксклюзивный праздник воссоединения и залог прогресса, который принадлежит всем нам.<br />
Понимание стандартов и спецификаций стандартов дизайна Gate Valve. Некоторые из наиболее часто упоминаемых стандартов включают: • ANSI/ASME B16.