| штат: | |
|---|---|
| Количество: | |
J-VALVES-BV-1000
J-VALVES
8481804090
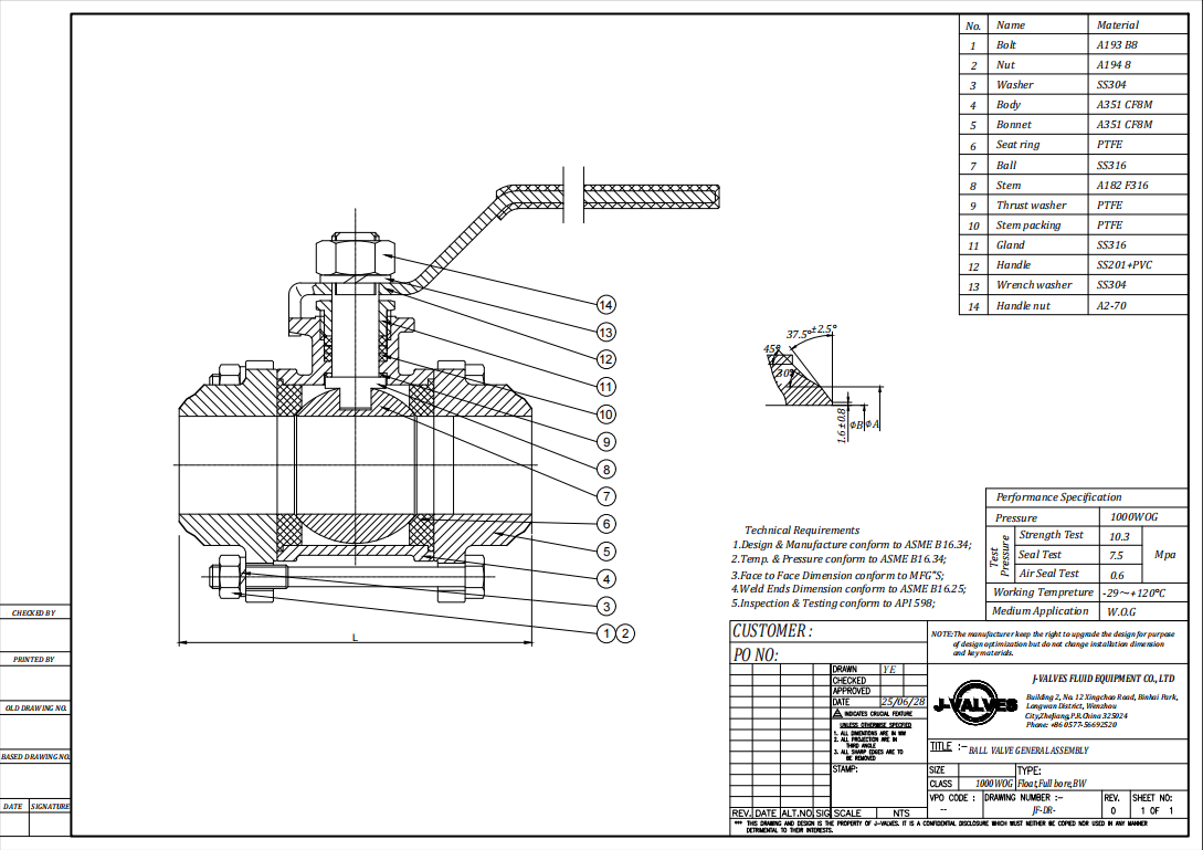
Этот шаровой клапан 3PC сочетает в себе коррозионную стойкость 316 из нержавеющей стали с рейтингом высокого давления (1000WOG) для сильных применений в обслуживании. Концы сварного шва обеспечивают постоянные соединения с низкой утечкой, критические для трубопроводов, подверженных термическому велосипеде или вибрации. Конструкция из трех частей обеспечивает модульное обслуживание, сокращая время простоя в промышленности непрерывного процесса. Производившийся к двунаправленному потоку и плотному уплотнению (ISO 5208 класс A), он обрабатывает углеводороды, пара и агрессивные жидкости, превосходные на нефтеперерабатывающих заводах, оффшорных платформах и электростанции, где долговечность и безопасность не подлежат обсуждению.
Название продукта | КОНД КОНЦИИ КОНЦИЯ КОНЦА НЕПРАВИЛЬНОГО СТАЛЕ 316 1000WOG 3PC ШАРНА |
Материал | Нержавеющая сталь/дуплексная сталь/алюминиевая бронза/никель-алюминиевая бронза/титановый сплав и т. Д. |
Давление | 150 фунт-2500 фунтов |
Размер | 1/2 дюйма ~ 48 дюймов (DN15 ~ DN1200) |
Конечное соединение | RF/RTJ/BW/SW |
Рабочая температура | -196ºC ~ 400ºC опция. |
Режим работы | Рычаг/гидравлический/пневматический/электрический |
Подходящая среда | Вода, природная газ, нефть и некоторая коррозионная жидкость |
Функции | Повышение стебля, OS & Y, болт-капот или герметичный давление, невыразительный вариант STEM |
Ключевые функции
Модульная конструкция 3PC для быстрого обслуживания
Конструкция тела с тремя частями позволяет заменить поля внутренних компонентов-мяч, сиденья, стебель-за ≤30 минут без удаления клапана из трубопровода. Это уменьшает время простоя технического обслуживания на 65% по сравнению с сварными однокурсенными клапанами, что является критическим преимуществом для высокократных отраслей времени, таких как терминалы СПГ (где потери производства превышают 200 000 долл. США/час). Структура сплит-тела устраняет необходимость в специализированных инструментах, что обеспечивает быстрый ремонт на удаленных оффшорных платформах или застойных промышленных зонах, соответствующих стратегиям обслуживания.
Целостность сварного шва для систем высокого давления
Концы сварного шва (ASME B16.25) Создают соединенный слияние с трубопроводом, устраняя прокладки фланца и потенциальные пути утечки. Эта конструкция выдерживает циклическое давление (1000wog) и тепловое напряжение (до 450 ° C), что делает его идеальным для перегретых паровых линий на электростанциях или водородных трубопроводах высокого давления на нефтеперерабатывающих заводах. Анализ конечных элементов подтверждает более низкую концентрацию напряжения на 50% в сварке по сравнению с фланцевыми соединениями, обеспечивая долгосрочную структурную целостность в условиях динамической нагрузки.
Огненная безопасность и антистатическое соответствие
Совместимый с API 607 и ISO 10497, пожарная конструкция клапана использует графитовую упаковку и резервные сиденья с металлом-металлом для поддержания герметизации во время пожаров, предотвращая катастрофические выбросы легковоспламеняющихся сред. Антистатическая пружина между стеблем и мячом рассеивает электростатические заряды в углеводородных потоках, снижая риски зажигания в терминалах хранения топлива и газообразных объектах. Эти функции являются обязательными для среды Atex Zone 1, обеспечивая соблюдение глобальных стандартов безопасности в взрывной атмосфере.
Коррозионная стойкость в суровых СМИ
316 нержавеющая сталь (UNS S31600), с 2,5% молибденам, обеспечивает превосходную устойчивость к индуцированной хлориду ямки (более 30 000 частей на миллион ppm) и растрескивание коррозии в кислых средах (например, 50% серная кислота при 80 ° C). Это делает его подходящим для морских опреснительных растений, линий подачи химических реакторов и фармацевтического производства, где стандартное 304 из нержавеющей стали преждевременно терпит неудачу. Пассивный оксидный слой сплава не требует дополнительных покрытий, сокращая расходы на техническое обслуживание на 40% по сравнению с альтернативами из углеродистой стали с покрытием.
Поток полной коробки для эффективности
Полномерная конструкция сохраняет идентификатор трубопровода, минимизируя падение давления (ΔP ≤ 10 фунтов на кв. Дюйм при 200 галлонов в минуту) и облегчает операции по очистке трубопроводов. Это имеет решающее значение для применений с высоким потоком, таких как линии переноса сырой нефти или системы впрыска воды на нефтяных месторождениях, где энергоэффективность и непрерывное поток имеют первостепенное значение. По сравнению с пониженными клапанами, он снижает затраты на накачку на 15% по сравнению с жизненным циклом, обращаясь к отраслям, ориентированным на эксплуатационную эффективность.
Глобальные стандарты и универсальная сертификация
Сертифицированный в API 6D, ASME B16.34 и CE PED MODULE H, клапан отвечает требованиям международного давления, температуры и безопасности. Его дизайн вмещает ASME B31.3 Process Porping и стандарты сварки ISO 15630-1, обеспечивая бесшовную интеграцию в глобальные проекты. Дополнительные жесткие (Stellite 6) на сиденьях и шариках повышают устойчивость к истиранию в применении суспензии, продление срока службы на 2 раза в горнодобывающих или пульпах и бумажной отраслях, где эрозия частиц является серьезной проблемой.
Установка и обслуживание
Установка: клапан предназначен для легкой установки. Он поставляется с четкими инструкциями по установке и может быть интегрирован в существующие системы трубопроводов с минимальными усилиями. Тем не менее, рекомендуется следовать передовым методам отрасли и обеспечивать правильное выравнивание и ужесточение соединений.
Техническое обслуживание: Регулярное техническое обслуживание необходимо для обеспечения оптимальной производительности клапана. Это включает в себя периодическое осмотр уплотнения элементов, смазывание стебля клапана и проверку на любые признаки утечки или повреждения. Конструкция самообучения снижает частоту основных задач по техническому обслуживанию, но обычные проверки все еще необходимы для раннего выявления любых потенциальных проблем.
Обеспечение качества: наши клапаны производятся в соответствии с международными стандартами качества и проходят строгие процедуры тестирования. Это гарантирует, что каждый клапан соответствует требованиям высочайшего качества и производительности.
Техническая поддержка: мы предоставляем комплексную техническую поддержку нашим клиентам. Наша команда экспертов доступна для помощи в вопросах установки, работы и технического обслуживания. Мы также предлагаем учебные программы, чтобы помочь клиентам оптимизировать использование наших клапанов.
Параметры настройки: мы понимаем, что различные приложения могут иметь уникальные требования. Поэтому мы предлагаем варианты настройки, такие как специальные типы соединений, размеры и покрытия для удовлетворения конкретных потребностей клиентов.
Этот шаровой клапан 3PC сочетает в себе коррозионную стойкость 316 из нержавеющей стали с рейтингом высокого давления (1000WOG) для сильных применений в обслуживании. Концы сварного шва обеспечивают постоянные соединения с низкой утечкой, критические для трубопроводов, подверженных термическому велосипеде или вибрации. Конструкция из трех частей обеспечивает модульное обслуживание, сокращая время простоя в промышленности непрерывного процесса. Производившийся к двунаправленному потоку и плотному уплотнению (ISO 5208 класс A), он обрабатывает углеводороды, пара и агрессивные жидкости, превосходные на нефтеперерабатывающих заводах, оффшорных платформах и электростанции, где долговечность и безопасность не подлежат обсуждению.
Название продукта | КОНД КОНЦИИ КОНЦИЯ КОНЦА НЕПРАВИЛЬНОГО СТАЛЕ 316 1000WOG 3PC ШАРНА |
Материал | Нержавеющая сталь/дуплексная сталь/алюминиевая бронза/никель-алюминиевая бронза/титановый сплав и т. Д. |
Давление | 150 фунт-2500 фунтов |
Размер | 1/2 дюйма ~ 48 дюймов (DN15 ~ DN1200) |
Конечное соединение | RF/RTJ/BW/SW |
Рабочая температура | -196ºC ~ 400ºC опция. |
Режим работы | Рычаг/гидравлический/пневматический/электрический |
Подходящая среда | Вода, природная газ, нефть и некоторая коррозионная жидкость |
Функции | Повышение стебля, OS & Y, болт-капот или герметичный давление, невыразительный вариант STEM |
Ключевые функции
Модульная конструкция 3PC для быстрого обслуживания
Конструкция тела с тремя частями позволяет заменить поля внутренних компонентов-мяч, сиденья, стебель-за ≤30 минут без удаления клапана из трубопровода. Это уменьшает время простоя технического обслуживания на 65% по сравнению с сварными однокурсенными клапанами, что является критическим преимуществом для высокократных отраслей времени, таких как терминалы СПГ (где потери производства превышают 200 000 долл. США/час). Структура сплит-тела устраняет необходимость в специализированных инструментах, что обеспечивает быстрый ремонт на удаленных оффшорных платформах или застойных промышленных зонах, соответствующих стратегиям обслуживания.
Целостность сварного шва для систем высокого давления
Концы сварного шва (ASME B16.25) Создают соединенный слияние с трубопроводом, устраняя прокладки фланца и потенциальные пути утечки. Эта конструкция выдерживает циклическое давление (1000wog) и тепловое напряжение (до 450 ° C), что делает его идеальным для перегретых паровых линий на электростанциях или водородных трубопроводах высокого давления на нефтеперерабатывающих заводах. Анализ конечных элементов подтверждает более низкую концентрацию напряжения на 50% в сварке по сравнению с фланцевыми соединениями, обеспечивая долгосрочную структурную целостность в условиях динамической нагрузки.
Огненная безопасность и антистатическое соответствие
Совместимый с API 607 и ISO 10497, пожарная конструкция клапана использует графитовую упаковку и резервные сиденья с металлом-металлом для поддержания герметизации во время пожаров, предотвращая катастрофические выбросы легковоспламеняющихся сред. Антистатическая пружина между стеблем и мячом рассеивает электростатические заряды в углеводородных потоках, снижая риски зажигания в терминалах хранения топлива и газообразных объектах. Эти функции являются обязательными для среды Atex Zone 1, обеспечивая соблюдение глобальных стандартов безопасности в взрывной атмосфере.
Коррозионная стойкость в суровых СМИ
316 нержавеющая сталь (UNS S31600), с 2,5% молибденам, обеспечивает превосходную устойчивость к индуцированной хлориду ямки (более 30 000 частей на миллион ppm) и растрескивание коррозии в кислых средах (например, 50% серная кислота при 80 ° C). Это делает его подходящим для морских опреснительных растений, линий подачи химических реакторов и фармацевтического производства, где стандартное 304 из нержавеющей стали преждевременно терпит неудачу. Пассивный оксидный слой сплава не требует дополнительных покрытий, сокращая расходы на техническое обслуживание на 40% по сравнению с альтернативами из углеродистой стали с покрытием.
Поток полной коробки для эффективности
Полномерная конструкция сохраняет идентификатор трубопровода, минимизируя падение давления (ΔP ≤ 10 фунтов на кв. Дюйм при 200 галлонов в минуту) и облегчает операции по очистке трубопроводов. Это имеет решающее значение для применений с высоким потоком, таких как линии переноса сырой нефти или системы впрыска воды на нефтяных месторождениях, где энергоэффективность и непрерывное поток имеют первостепенное значение. По сравнению с пониженными клапанами, он снижает затраты на накачку на 15% по сравнению с жизненным циклом, обращаясь к отраслям, ориентированным на эксплуатационную эффективность.
Глобальные стандарты и универсальная сертификация
Сертифицированный в API 6D, ASME B16.34 и CE PED MODULE H, клапан отвечает требованиям международного давления, температуры и безопасности. Его дизайн вмещает ASME B31.3 Process Porping и стандарты сварки ISO 15630-1, обеспечивая бесшовную интеграцию в глобальные проекты. Дополнительные жесткие (Stellite 6) на сиденьях и шариках повышают устойчивость к истиранию в применении суспензии, продление срока службы на 2 раза в горнодобывающих или пульпах и бумажной отраслях, где эрозия частиц является серьезной проблемой.
Установка и обслуживание
Установка: клапан предназначен для легкой установки. Он поставляется с четкими инструкциями по установке и может быть интегрирован в существующие системы трубопроводов с минимальными усилиями. Тем не менее, рекомендуется следовать передовым методам отрасли и обеспечивать правильное выравнивание и ужесточение соединений.
Техническое обслуживание: Регулярное техническое обслуживание необходимо для обеспечения оптимальной производительности клапана. Это включает в себя периодическое осмотр уплотнения элементов, смазывание стебля клапана и проверку на любые признаки утечки или повреждения. Конструкция самообучения снижает частоту основных задач по техническому обслуживанию, но обычные проверки все еще необходимы для раннего выявления любых потенциальных проблем.
Обеспечение качества: наши клапаны производятся в соответствии с международными стандартами качества и проходят строгие процедуры тестирования. Это гарантирует, что каждый клапан соответствует требованиям высочайшего качества и производительности.
Техническая поддержка: мы предоставляем комплексную техническую поддержку нашим клиентам. Наша команда экспертов доступна для помощи в вопросах установки, работы и технического обслуживания. Мы также предлагаем учебные программы, чтобы помочь клиентам оптимизировать использование наших клапанов.
Параметры настройки: мы понимаем, что различные приложения могут иметь уникальные требования. Поэтому мы предлагаем варианты настройки, такие как специальные типы соединений, размеры и покрытия для удовлетворения конкретных потребностей клиентов.
API 609 Butterfly CalveSeign и производительность • Стандартный обзор: API 609 является широко признанным стандартом для клапанов бабочек, особенно в нефтегазовой отрасли. Он определяет требования к проектированию, производству и тестированию для обеспечения надежности и безопасности. • Спецификации материала: API
I.ВведениеВ сфере транспортировки газа спрос на высококачественную и надежную арматуру имеет первостепенное значение. Среди них решающую роль играют цапфовые шаровые краны большого размера. J - VALVES, ведущая компания в отрасли производства клапанов, предлагает индивидуальные решения, которые совершают революцию в газопереработке.
Плавающие шаровые краны — это универсальные и надежные компоненты, используемые для регулирования потока жидкостей в различных промышленных применениях. Их прочная конструкция, простота в эксплуатации и способность обеспечивать герметичное уплотнение делают их идеальными для широкого спектра отраслей промышленности. В этой статье рассматриваются разнообразные приложения
Откройте для себя задвижку J-VALVES 24 дюйма 600LB WC6 с электроприводом, поставленную для проекта по охране окружающей среды в Италии. Работа при высоком давлении, прочная конструкция из легированной стали и надежное автоматическое управление для промышленных трубопроводов.
Понимание требований вашего применения. Прежде чем выбрать задвижку, важно понять конкретные требования вашего промышленного применения. Сюда входит: Тип жидкости: Определите тип жидкости, которая будет течь через клапан. К обычным жидкостям относятся вода, масло, пар, газы,
Задвижки широко используются в промышленности для регулирования потока различных жидкостей и газов. Задвижка с пневматическим приводом DN800 PN25 WCB разработана для обеспечения надежной и эффективной работы в средах с высоким давлением, особенно при номинальном давлении PN25. Эта часть
В области промышленных трубопроводных систем, особенно в нефтяной, газовой и крупномасштабной водоочистной промышленности, шаровые краны с цапфой большого размера, соответствующие стандартам API 6D, стали основным оборудованием для контроля и изоляции жидкости. API 6D, разработанный Американским институтом нефти (API), является всемирно признанным авторитетным стандартом для трубопроводной арматуры, определяющим строгие требования к проектированию, производству, сборке, испытаниям и документации арматуры. В проектах трубопроводов большого диаметра стабильность, способность выдерживать давление и герметичность клапанов напрямую влияют на безопасность и эффективность всей системы.
Понимание определения и воздействия гидроудара. Водяной удар возникает, когда поток жидкости в трубопроводе внезапно останавливается или перенаправляется, что приводит к распространению волны давления по жидкости. Это может привести к значительным скачкам давления, что приведет к разрыву трубы, выходу из строя клапана и другим повреждениям. Причины
Задвижки с пневматическими приводами представляют собой тип задвижек, в которых для операций открытия и закрытия используются пневматические приводные устройства, и они широко применяются в промышленных системах, требующих дистанционного или автоматического управления. Пневматические приводы обеспечивают эффективное и точное управление воротами.
Сварные дисковые затворы с тройным эксцентриковым уплотнением и металлическим уплотнением представляют собой современные промышленные клапаны, широко применяемые в трубопроводных системах, требующих высокой герметизации, высокой температуры и устойчивости к коррозии. Конструкция таких клапанов сочетает в себе технологию металлического уплотнения с тройной эксцентриковой конструкцией, обеспечивающей
При выборе надежных плавающих шаровых кранов для высококоррозионных и требовательных промышленных применений, таких как морское машиностроение, морская нефтегазовая промышленность, химическая обработка или очистка морской воды, инженеры и покупатели отдают приоритет трем основным факторам: долговечность материала, соответствие международным стандартам и долгосрочная эксплуатационная стабильность. J-VALVES Плавающий шаровой кран API608 C95800 спроектирован так, чтобы соответствовать этим требованиям и даже превосходить их. Используя исключительные характеристики никель-алюминиевого бронзового сплава C95800 и строго соблюдая стандарт API 608, он обеспечивает непревзойденную производительность в суровых условиях. Являясь надежным выбором в мировом промышленном секторе, этот клапан устраняет наиболее распространенные проблемы в управлении промышленными жидкостями, что делает его лучшим решением для применений, требующих коррозионной стойкости, устойчивости к высокому давлению и высокой надежности.
В промышленных трубопроводных системах с постоянным увеличением диаметров труб и номинального давления выбор конструктивной формы шаровых кранов становится особенно важным. В то время как плавающие шаровые краны широко используются в рабочих условиях малого диаметра, шаровые краны с цапфой часто являются более надежным и зрелым решением для систем большого диаметра и высокого давления.
В современных промышленных трубопроводных системах шаровые краны большого диаметра не только выполняют функции «закрыто-закрыто», но и напрямую связаны с эксплуатационной безопасностью, надежностью герметизации и долговременной стабильностью системы. Конструкция безопасности клапанов особенно важна в случаях, связанных с высокой температурой, пожароопасностью или сложными условиями работы.
Y-образные фильтры — это широко используемые устройства в системах жидкостных трубопроводов, предназначенные в первую очередь для удаления примесей и твердых частиц из трубопроводов и обеспечения нормальной работы жидкостных систем. Эти фильтры, названные в честь своей Y-образной конфигурации, используют механическую фильтрацию для эффективного улавливания твердых частиц.
При покупке шаровых кранов с двойной блокировкой и выпуском воздуха (DBB) для критически важных промышленных применений партнерство с ведущим в отрасли производителем, таким как J-VALVES, с более чем десятилетним опытом работы с 2009 года, гарантирует надежность, безопасность и производительность продукции. В этом руководстве по закупкам подробно описаны ключевые моменты при выборе шаровых кранов J-VALVES DBB, что дает возможность командам по закупкам принимать обоснованные решения, соответствующие эксплуатационным требованиям и стандартам соответствия.
Фильтр 150LB C95800 является важнейшим компонентом систем контроля жидкости и газа, предназначенным для защиты последующего оборудования путем фильтрации мусора, твердых частиц и других примесей из потока. Изготовленный из высококачественной бронзы C95800, он идеально подходит для использования там, где долговечность
В промышленности фильтры играют решающую роль в обеспечении бесперебойной и эффективной работы систем, предотвращая повреждение внутренних механизмов загрязняющими веществами. Фильтры 300LB WCB, изготовленные из прочной литой стали, обеспечивают превосходную производительность в системах высокого давления. Что такое
Цельносварные шаровые краны, обладающие высокой производительностью и надежностью, широко используются в нефтяной, газовой, химической, металлургической, электроэнергетической и других отраслях промышленности. Крайне важно убедиться в надежности их работы перед установкой и вводом в эксплуатацию.
Вечером 31 января, залитый яркими и теплыми огнями, с размахом стартовал ежегодный гала-концерт J-VALVES 2025 года на тему «В дороге, навстречу миру!» Все члены семьи J-VALVES собрались вместе, избавившись от тяжелого труда и усталости целого года и неся наши достижения и почести. Мы оглядывались назад на наше путешествие бок о бок, среди смеха и радости, и шли к совершенно новому будущему с общими усилиями, разделяя этот эксклюзивный праздник воссоединения и залог прогресса, который принадлежит всем нам.<br />
Понимание стандартов и спецификаций стандартов дизайна Gate Valve. Некоторые из наиболее часто упоминаемых стандартов включают: • ANSI/ASME B16.