| штат: | |
|---|---|
| Количество: | |
Основные особенности
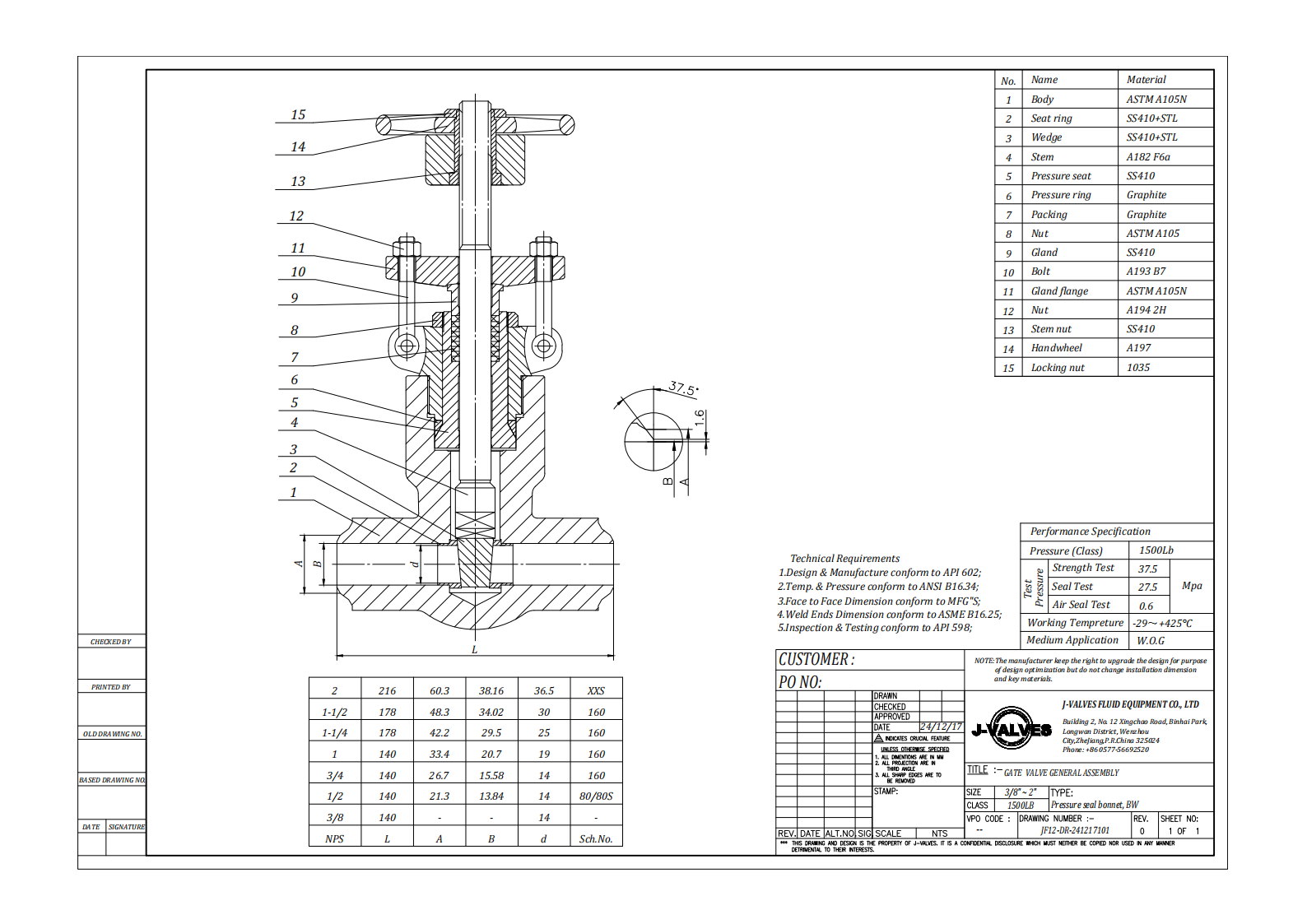
Материал и структура: корпус клапана изготовлен из кованой углеродистой стали A105N, который имеет высокую прочность и хорошую прочность, подходящую для условий труда высокого давления и высокотемпературных работ. Проект, заплаченная давлением, использует среднее давление для повышения производительности герметизации, обеспечивая отсутствие утечки в экстремальных условиях. Растущая конструкция ствола обеспечивает интуитивно понятную работу и облегчает наблюдение за открытием и закрытием клапана.
Производительность герметизации: принимает металлическое уплотнение, с поверхностью герметизации с использованием технологии всплывающего сплава жесткого сплава для износостойкой стойкости, коррозионной стойкости и длительного срока службы. Структура, полученная под давлением, автоматически усиливает эффект герметизации под высоким давлением, не требуя дополнительных уплотнительных устройств.
Оперативная производительность: работа маховика с низким рабочим крутящим моментом, гибким открытием и закрытием. Пневматические или электрические приводы могут быть необязательно оснащены для достижения автоматического управления.
Безопасность и защита окружающей среды: Пожарный дизайн соответствует стандартам API 607 и API 6FA. Антистатический дизайн соответствует стандартам BS 5351.
Применение применения: подходит для воды, пара, природного газа, нефти и некоторых коррозионных жидкостей. Рабочая температура: от -29 ° C до 425 ° C.
Технические спецификации
Диапазон размеров: 1/2 'до 2 ' (DN15 до DN50)
Класс давления: от 800 фунтов до 1500 фунтов
Метод соединения: сварка (BW)
Рабочая температура: от -29 ° C до 425 ° C
Применимая среда: вода, пара, природный газ, нефть, коррозионные жидкости
Стандарты проектирования и производства: ASME B16.34, API 602
Стандарт проверки и тестирования: API 598
Сценарии приложения
Промышленность нефти и природного газа: используется в трубопроводах природного газа, транспортных системах нефти и т. Д., Для обеспечения надежного среднего сокращения.
Химическая промышленность: подходит для обработки коррозийных химических сред, таких как серная кислота и фосфорная кислота.
Силовая отрасль: используется в паровах и водных системах генерации тепловой электроэнергии, выработки ядерной энергии и электростанций комбинированных велосипедов.
Водооборудование: используется в системах городских водоснабжения и очистки сточных вод.
Бумажная промышленность: подходит для транспортировки пульпы и обработки морской воды.
Горнодобывающая промышленность и металлургия: используется в системах транспортировки материала с высоким содержанием.
Преимущества и услуги
Индивидуальные услуги: могут предоставить специальные материалы и индивидуальные проекты в соответствии с потребностями клиента.
Обеспечение качества: сертифицировано ISO, CE, API 6D и т. Д., Для обеспечения качества продукта.
Обратные клапаны, также известные как обратные клапаны, являются важными компонентами гидравлических и пневматических систем. Эти клапаны обеспечивают поток жидкости или воздуха только в одном направлении, предотвращая обратный поток, который в противном случае мог бы привести к повреждению или снижению эффективности. Поддерживая правильное направление потока, проверьте v
Поворотные затворы — это тип клапана регулирования расхода, обычно используемый в различных отраслях промышленности, известный своей компактной конструкцией, экономичностью и простотой эксплуатации. Эти клапаны особенно хорошо подходят для применений, связанных с большими объемами жидкости, где требуется точный контроль потока.
В промышленных системах, где требуется частое включение/выключение, пробковые клапаны являются идеальным выбором. Пробковые клапаны, известные своей простотой, надежностью и долговечностью, широко используются в различных отраслях промышленности, включая нефтегазовую, водоподготовку, химическую обработку и многое другое. Их способность
Y-образные фильтры являются важнейшими компонентами защиты трубопроводов и трубопроводных систем, предотвращая повреждение чувствительного оборудования, расположенного ниже по потоку, от мусора и твердых частиц. Y-образные фильтры, которые обычно используются в таких отраслях, как нефтегазовая, нефтехимическая, водоочистная и пищевая промышленность, служат
Узнайте, как подобрать задвижку 300LB из материала 5A с трубопроводами GB и ASME. В этом руководстве описываются классы давления, стандарты фланцев, размеры, совместимость сред и советы по выбору, позволяющие сократить объем доработок и повысить эффективность проекта.
Задвижки большого диаметра являются важнейшими компонентами в различных отраслях промышленности, предлагая надежные решения для управления потоком жидкости в системах высокого давления. Эти клапаны в основном используются в сценариях, где необходима эффективная изоляция или регулирование больших количеств жидкостей или газов.
В различных промышленных системах загрязнения, присутствующие в жидкостях или газах, могут привести к значительным сбоям в работе, повреждению оборудования и отказу системы. Фильтры играют решающую роль в предотвращении попадания этих загрязнений и нарушения целостности системы. От трубопроводов до машин, fil
Задвижки с их простой, но высокоэффективной конструкцией являются важнейшими компонентами систем управления жидкостями в различных отраслях промышленности. Эти клапаны, известные своей способностью полностью перекрывать поток жидкостей, широко используются в тех случаях, когда необходим прямой и беспрепятственный поток.
Обратные клапаны из никель-алюминиевой бронзы, часто называемые двухпластинчатыми обратными клапанами, являются важным компонентом во многих промышленных применениях. Эти клапаны, известные своей долговечностью, устойчивостью к коррозии и превосходными характеристиками в суровых условиях, часто используются в системах, включающих
Как инженерные закупки могут снизить риски коррозии обратных клапанов? Узнайте, как обратные клапаны WCB устойчивы к коррозии, где они подходят лучше всего и как они помогают снизить затраты на техническое обслуживание и повысить эффективность проектов.
Почему утечки являются такой серьезной проблемой в системах транспортировки нефти и газа? Узнайте, как бронзовые обратные клапаны помогают повысить надежность уплотнения, устойчивость к коррозии и общую безопасность трубопроводов в сложных условиях эксплуатации в нефтегазовой отрасли.
Во многих промышленных применениях управление потоком жидкостей и газов под высоким давлением является важнейшей задачей. В таких сложных условиях задвижки большого диаметра являются ключевым компонентом, обеспечивающим безопасную и эффективную работу систем управления жидкостью. Эти клапаны особенно важны
В тяжелых промышленных жидкостных системах производительность и долговечность клапанов имеют решающее значение для обеспечения бесперебойной работы и сведения к минимуму времени простоя на техническое обслуживание. Среди различных типов клапанов, используемых в этих системах, дисковые затворы из никель-алюминиевой бронзы (NAB) выделяются своей исключительной прочностью.
В промышленных процессах широко используются системы замкнутого цикла для обеспечения непрерывной работы, сокращения отходов и повышения энергоэффективности. Эти системы основаны на цикле жидкости или газа, циркулирующего через компоненты и возвращающегося в систему для повторного использования. Для поддержания оптимальной производительности и предотвращения
В гидравлических системах точный контроль давления имеет решающее значение для поддержания стабильности, эффективности и безопасности системы. Среди многих типов клапанов, используемых в этих системах, шаровые клапаны играют важную роль в управлении давлением, регулировании потока и обеспечении оптимальной производительности. Что такое глобус Va
Почему стандартные поворотные затворы часто дают течь при требовательном обслуживании? Узнайте, как дисковые затворы с тройным эксцентриситетом улучшают характеристики уплотнения, снижают износ и поддерживают промышленные применения при высоких температурах и высоком давлении.
Коррозионные жидкости сокращают срок службы клапана? Узнайте, почему клапаны из углеродистой стали рано выходят из строя и как шаровые краны высокого давления из нержавеющей стали обеспечивают более высокую коррозионную стойкость, лучшую герметизацию и более длительный срок службы в химической, морской промышленности и при высоком давлении.
В сфере управления промышленными жидкостями выбор правильного клапана имеет важное значение для обеспечения оптимальной производительности системы, минимизации времени простоя и повышения эксплуатационной эффективности. Двумя наиболее часто используемыми типами клапанов являются шаровые краны и пробковые клапаны. Оба типа выполняют схожие функции по регулированию потока л.
Во многих промышленных применениях, особенно в тех, которые подвергаются воздействию агрессивных сред или агрессивных жидкостей, выбор соответствующих материалов клапанов имеет решающее значение для поддержания целостности и производительности системы. Одним из таких материалов, который выделяется своей превосходной коррозионной стойкостью и долговечностью, является
В промышленных системах решающее значение имеет обеспечение плавного потока жидкостей и защита оборудования от повреждений, вызванных загрязнителями. Здесь в игру вступают фильтры. Среди различных типов используемых фильтров Y-образный фильтр является популярным выбором для применений, требующих надежного удаления мусора.